您好,欢迎您访问 无锡市双瑞机械有限公司 的官方网站! 结晶过滤洗涤干燥设备的老牌生产厂家及大型工程整体解决方案提供商

产品列表

无锡市双瑞机械有限公司
地 址: 无锡市惠山区前洲镇北七房村
联系人: 王经理
手 机: 13861731823
电 话: 0510-83451680
邮 箱: wuxishuangrui@163.com
邮 编: 214000
网 址: www.wxfiltdry.com
您现在所在的位置:首页 > 产品中心
实验室三合一干燥机

产品详情

产品概述

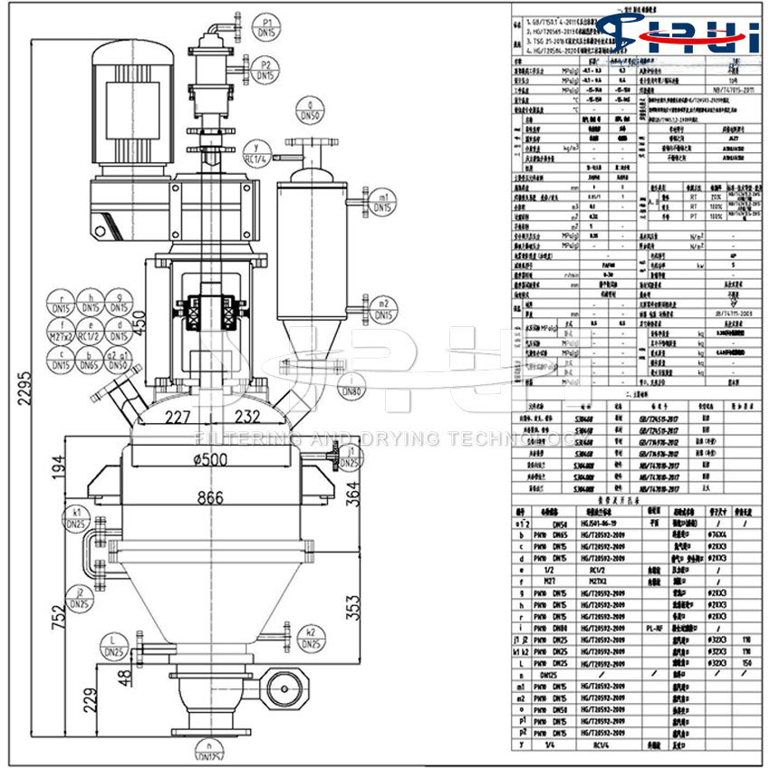
  实验室过滤洗涤干燥一体机为筒锥式结构,在圆筒体和下部锥体上设置有加热夹套,可对物料进行加热或冷却,在多功能机内部设置有空心轴和变角度变导程空心螺旋搅拌装置搅拌,对物料进行搅拌和提升,在出料时推出物料。在下部锥体内设置有结构较为复杂的圆锥形过滤装置,在设备底部有特殊设计的无死角快开出料装置或无死角气动出料球阀。
  在反应阶段,反应物料从顶部加入,独特的搅拌结构可使物料在机内得到均匀的搅拌,并通过筒体夹套、锥体夹套及空心轴、空心螺旋叶的同时加热或冷却,使物料在机内充分反应。在过滤阶段,本机可使物料在机内通过加压或抽真空过滤滤干,并加入洗涤液,使物料在机内进行多次自动再浆洗涤,达到洗涤要求后再压干。在干燥阶段,筒体夹套、锥体夹套、空心轴、空心螺带同时对物料进行加热并在顶部抽真空,对物料进行真空密闭低温干燥,干燥后自动密闭出料。

性能特点

  (1) 一机多用,可在一台机内完成反应、萃取、过滤、反复多次过滤洗涤、干燥等多种操作,并直接得到成品。
  (2) 操作弹性大,能通过调整过滤压差、转速、螺旋挤压导程等调节操作周期,以适应工艺条件的变化。
  (3) 该机可在过滤介质表面形成很薄的滤饼或者在无滤饼条件下进行过滤,单位过滤面积上的过滤速率很高,因此设备小而紧凑。
  (4) 全封闭系统,操作环境相当好,特别适用于处理有毒、易燃、易爆的危险产品及不允许有污染的鲜美食品生物制品药品等。
  (5) 既能浓缩,又能过滤。特别是需要对物料进行洗涤时,可先对物料进行浓缩,并在悬浮状态下进行彻底地洗涤,zui后再压滤,这样可减少物料的搬运,减少浪费,洗涤时不用再浆 ,产品质量很高。
  (6) 可用于反应、过滤、干燥三种操作,使三个单元设备的作用在这一台设备上完成,从而使设备成本、占地面积、劳动强度、能耗等都大大降低。
  (7) 该机的动力消耗低,挤出滤饼一般比平板式三合一水分低,操作亦方便。

主要技术参数

  (1) 公称容量:100L
  (2) 主机内径:600mm
  (3) 过滤前容积:80L/批
  (4) 物料干燥后:≤30kg/批
  (5) 设备材质:与物料部分部分材质316L不锈钢、其余部分材质采用S30408不锈钢或碳钢
  (6) 设备抛光精度:设备内壁精密抛光≤0.4、设备外表面抛光≤0.8
  (7) 过滤面积:0.5平方
  (8) 加热面积:1.1平方
  (9) 过滤材质:采用316L不锈钢6层烧结网
  (10) 过滤精度:微米(150)或目数(100目)
  (11) 主轴搅拌形式:特殊空心螺带搅拌轴
  (12) 主轴机械密封:双端面机械密封
  (13) 平底无死角出料球阀:DN150
  (14) 传动电机:防爆电机4KW 、防爆等级dllBT4 IP55
  (15) 减速机:FAF87
  (16) 主轴转速:0~29rpm

返回产品列表
Copyright © 无锡市双瑞机械有限公司 版权所有 未经许可不得使用、转载、摘编。